Menu +
Generic selectors
Exact matches only
Search in title
Search in content
Post Type Selectors
Search in posts
Search in pages

OIL PUMP [SKYACTIV-G 2.0]

< Previous Next >

2016 – MX-5 – Engine

OIL PUMP [SKYACTIV-G 2.0]

Outline

  • A relief valve which suppresses hydraulic pressure increase of more than the set pressure is equipped to reduce oil pump drive resistance.

  • Hydraulic pressure is switched in 2 steps by operating the engine solenoid valve and by changing the opening pressure of the relief valve according to the engine operation conditions. For hydraulic two-step control details, refer to the CONTROL SYSTEM. (See ENGINE OIL CONTROL [SKYACTIV-G 2.0].)

Purpose, Function

  • The oil pump suctions the engine oil in the oil pan through the oil strainer and pumps engine oil into the engine.

Construction

  • The oil pump is located under the cylinder block (inside the oil pan).

  • A chain drive-type oil pump has been adopted to reduce the diameter of the rotor. As a result, the oil pump drive resistance has been reduced.

  • The oil pump consists of the following parts:

Operation

  • The oil pump adjusts hydraulic pressure in two steps (low and high hydraulic pressure settings) by switching the oil passage. The switching is done by the operation of the engine solenoid valve according to the engine operation conditions. For hydraulic two-step control details, refer to the CONTROL SYSTEM. (See ENGINE OIL CONTROL [SKYACTIV-G 2.0].)

  • The relief valve opens/closes to maintain the set pressure. The relief valve opens if the hydraulic pressure exceeds the relief valve spring force and part of the engine oil fed by the rotor returns to the engine oil intake of the oil pump. As a result, an increase in hydraulic pressure of more than the set pressure is suppressed. The relief valve closes if the hydraulic pressure is less than the relief valve spring force and all of the engine oil fed by the rotor flows into the engine. As a result, the hydraulic pressure is adjusted by the set pressure.

  • The bypass valve opens if the hydraulic pressure increases excessively when starting an extremely cold engine. Engine oil flows to the oil pan when the bypass valve is open. As a result, excessive hydraulic pressure increase is suppressed.

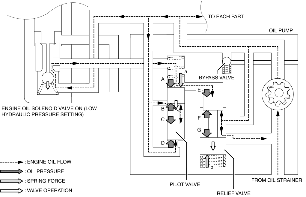
Engine oil flow during low hydraulic pressure setting (engine oil solenoid valve ON)

1. When the engine oil solenoid valve turns on, the oil flows through the oil passage to the pilot valve from the oil pump discharge outlet.

2. Hydraulic pressure (A) is applied to the top of the pilot valve. At this time, because the hydraulic pressure (B + D) applied to the pilot valve in the upward direction and the hydraulic pressure (A + C) applied in the downward direction are nearly equal, the pilot valve is pressed down by the spring force (a), engine oil flows to the top of the relief valve, and hydraulic pressure (E) is applied to the top of the relief valve.

NOTE:

  • During low hydraulic pressure setting (engine oil solenoid valve ON), the pilot valve is constantly pressed down by spring force because the hydraulic pressure applied to the pilot valve in the upward/downward direction is nearly equal.

3. Hydraulic pressure is higher than pressure setting

a. The relief valve is pressed down by hydraulic pressure because the hydraulic pressure (E + G – F) applied to the relief valve in the downward direction is stronger than the spring force (b).

b. Hydraulic pressure decreases when part of the engine oil fed by the rotor returns to the engine oil intake of the oil pump.

4. Hydraulic pressure is lower than pressure setting

a. The relief valve is pressed up by the spring force because the hydraulic pressure (H + K – J) applied to the relief valve in the downward direction is weaker than the spring force (b).

b. Hydraulic pressure increases when all of the engine oil fed by the rotor flows into the engine.

5. Steps 3. to 4. are performed repeatedly to maintain a low hydraulic pressure setting.

Engine oil flow during high hydraulic pressure setting (engine oil solenoid valve OFF)

1. When the engine oil solenoid valve turns off, the oil passage to the pilot valve from the oil pump discharge outlet closes and the oil flows through the oil passage to the oil pan from the top of the pilot valve.

2. Hydraulic pressure to the top of the pilot valve is no longer applied.

NOTE:

  • During high hydraulic pressure setting (engine oil solenoid valve OFF), the hydraulic pressure applied to the pilot valve in the upward/downward direction changes according to the oil pump discharge pressure and the pilot valve opens/closes.

3. Hydraulic pressure is higher than pressure setting

a. The pilot valve is pressed up by hydraulic pressure because the hydraulic pressure (A + C – B) applied to the pilot valve in the upward direction is stronger than the spring force (a).

b. Engine oil flows to the top of the relief valve via the pilot valve.

c. The relief valve is pressed down by hydraulic pressure because the hydraulic pressure (D + F – E) applied to the relief valve in the downward direction is stronger than the spring force (b).

d. Hydraulic pressure decreases when part of the engine oil fed by the rotor returns to the engine oil intake of the oil pump.

4. Hydraulic pressure is lower than setting pressure

a. The pilot valve is pressed down by spring force because the hydraulic pressure (G + J – H) applied to the pilot valve in the upward direction is weaker than the spring force (a).

b. Engine oil via the pilot valve does not flow to the top of the relief valve.

c. The relief valve is pressed up by spring force (d) because the hydraulic pressure (K) applied to the relief valve in the upward direction and the hydraulic pressure (L) applied in the downward direction are nearly equal.

d. Hydraulic pressure increases when all of the engine oil fed by the rotor flows into the engine.

5. Steps 3. to 4. are performed repeatedly to maintain a high hydraulic pressure setting.

< Previous Next >

© 2014 Mazda North American Operations, U.S.A.