Menu +
Generic selectors
Exact matches only
Search in title
Search in content
Post Type Selectors
Search in posts
Search in pages

WIPER/WASHER SYSTEM

< Previous Next >

2016 – MX-5 – Body and Accessories

WIPER/WASHER SYSTEM

Outline

  • The wiper and washer system operates the wiper and washer by operating the wiper and washer switch.

  • The wiper and washer system is equipped with the following functions.

    • Continuous wiper (low/high) function

    • Auto-stop function

    • One-touch wiper function

    • Intermittent wiper function (Without auto wiper system)

    • Auto wiper function (With auto wiper system)

    • Synchronized washer function

Structural View

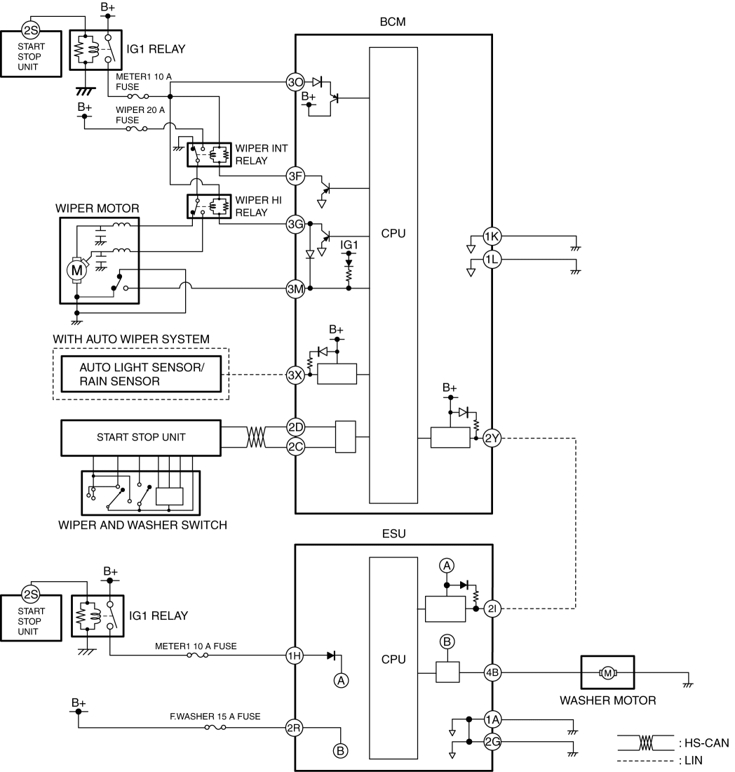
System Wiring Diagram

Operation

Continuous wiper (low) operation

1. When the wiper switch is in the LO position (1) with the ignition switched ON (engine off or on), the start stop unit detects (2) wiper switch LO signal.

2. When the start stop unit detects the wiper switch LO signal, the wiper LO operation request signal is sent (3) to the BCM by CAN communication.

3. When the BCM receives the wiper LO operation request signal, it turns transistor A on (4).

4. When transistor A turns on, a ground circuit with the wiper INT relay is established (5), and the wiper INT relay turns on (6).

5. When the wiper INT relay turns on, the wipers operate continuously at low speed (7).

Continuous wiper (high) operation

1. When the wiper switch is in the HI position (1) with the ignition switched ON (engine off or on), the start stop unit detects (2) wiper switch LO and HI signals.

2. When the start stop unit detects the wiper switch LO and HI signals, the wiper HI operation request signal is sent (3) to the BCM by CAN communication.

3. When the BCM receives the wiper HI operation request signal, it turns transistors A and B on (4).

4. When transistors A and B turn on, a ground circuit with the wiper INT relay and the wiper HI relay are established (5), and the wiper INT relay and wiper HI relay turn on (6).

5. When the wiper INT relay and wiper HI relay turn on, the wipers operate continuously at high speed (7).

Auto-stop operation

NOTE:

  • The auto stop switch inside the wiper motor operates as follows according to the operation position of the wipers.

    • wipers stopped in park position: Off

    • wipers stopped in position other than park: On

1. When the wiper switch is switched to the OFF position (1) during the wiper operation, the BCM turns transistor A off (2).

2. When transistor A is turned off, current flows (3) to the auto stop switch which is on.

3. The wipers operate to the park position by sending current to the auto stop switch.

4. When the wipers return to the park position, the auto stop switch turns off (4).

One-touch wiper operation

1. When the wiper switch is in the MIST position (1) with the ignition switched ON (engine off or on), the start stop unit detects (2) wiper switch LO signal.

2. When the start stop unit detects the wiper switch LO signal, the wiper LO operation request signal is sent (3) to the BCM by CAN communication.

3. When the BCM receives the wiper LO operation request signal, it turns transistor A on (4).

4. When transistor A turns on, a ground circuit with the wiper INT relay is established (5), and the wiper INT relay turns on (6).

5. When the wiper INT relay turns on, the wipers operate at low speed (7).

Intermittent wiper operation (Without auto wiper system)

1. When the wiper switch is in the INT position (1) with the ignition switched ON (engine off or on), the start stop unit detects (2) wiper switch INT signal.

2. When the start stop unit detects the wiper switch INT signal, the wiper INT operation request signal and the INT volume signal are sent (3) to the BCM by CAN communication.

3. When the BCM receives the wiper INT operation request signal, it turns transistor A on (4).

4. When transistor A turns on, a ground circuit with the wiper INT relay is established (5), and the wiper INT relay turns on (6).

5. When the wiper INT relay turns on, the wipers operate at low speed (7).

6. When the wipers stop at the park position due to the auto stop operation and after a certain period of time has elapsed, which was calculated based on the INT volume signal, the BCM operates the wipers at a low speed (8). By repeating this, the wipers operate intermittently.

Auto wiper operation
  • For details on the auto wiper operation, refer to the [AUTO WIPER SYSTEM]. (See AUTO WIPER SYSTEM.)

Synchronized washer operation

1. If the washer switch is turned on (1) with the ignition switched ON (engine off or on) and the wipers not operating, the start stop unit detects (2) a washer switch on signal.

2. The start stop unit sends (3) the washer switch on signal to the BCM via CAN communication.

3. When the BCM receives the washer switch on signal, it sends (4) the washer operation request signal to the electrical supply unit (ESU) via LIN communication.

4. When the electrical supply unit (ESU) receives the washer operation request signal, the washer motor is driven (5) and washer fluid is sprayed from the washer nozzles.

5. When the BCM receives (6) the washer switch on signal for a certain period of time, it operates (7) the wipers at low speed.

6. After the washer switch is turned off (8), the wipers operate 2 times at low speed and stop.

NOTE:

  • If the washer switch is turned on while the wipers are operating, wiper operation is continued and the washer operation from (3) to (5) is performed.

< Previous Next >

© 2014 Mazda North American Operations, U.S.A.