DTC B124A:11 [ELECTRICAL SUPPLY UNIT (ESU)]


id0902ff061300

Description

Running light circuit malfunction

Detection condition
•  Electrical supply unit (ESU) detects a short to ground in the running light circuit with the ignition switched ON (engine off or on).
Fail-safe
Not applicable
Possible cause
•  Electrical supply unit (ESU) connector or terminal malfunction
•  Parking light/running light bulb (LH) malfunction
•  Parking light/running light bulb (RH) malfunction
•  Front combination light (LH) connector or terminal malfunction
•  Front combination light (RH) connector or terminal malfunction
•  Short to ground in wiring harness between the following terminals:
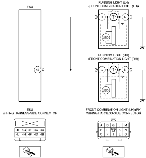
―  Electrical supply unit (ESU) terminal 4J—Front combination light (LH) terminal C
―  Electrical supply unit (ESU) terminal 4J—Front combination light (RH) terminal C
•  Front combination light (LH) malfunction
•  Front combination light (RH) malfunction
•  Electrical supply unit (ESU) malfunction

*1  :With front combination light (bulb type)
*2  :With front combination light (LED type)

Diagnostic Procedure

Step

Inspection

Action

1
INSPECT ELECTRICAL SUPPLY UNIT (ESU) CONNECTOR CONDITION
•  Switch the ignition off.
•  Disconnect the negative battery cable.
•  Disconnect the electrical supply unit (ESU) connector.
•  Inspect the connector engagement and connection condition and inspect the terminals for damage, deformation, corrosion, or disconnection.
•  Is the connector normal?
Yes
With front combination light (bulb type):
•  Go to the next step.
With front combination light (LED type):
•  Go to Step 4.
No
Repair or replace the connector, then go to Step 9.
2
VISUALLY INSPECT PARKING LIGHT/RUNNING LIGHT BULB (LH)
•  Visually inspect the parking light/running light bulb (LH).
•  Is the parking light/running light (LH) normal?
Yes
Go to the next step.
No
Replace the parking light/running light bulb (LH), then go to Step 9.
3
VISUALLY INSPECT PARKING LIGHT/RUNNING LIGHT BULB (RH)
•  Visually inspect the parking light/running light bulb (RH).
•  Is the parking light/running light bulb (RH) normal?
Yes
Go to the next step.
No
Replace the parking light/running light bulb (RH), then go to Step 9.
4
INSPECT FRONT COMBINATION LIGHT (LH) CONNECTOR CONDITION
•  Disconnect the front combination light (LH) connector.
•  Inspect the connector engagement and connection condition and inspect the terminals for damage, deformation, corrosion, or disconnection.
•  Is the connector normal?
Yes
Go to the next step.
No
Repair or replace the connector, then go to Step 9.
5
INSPECT FRONT COMBINATION LIGHT (RH) CONNECTOR CONDITION
•  Disconnect the front combination light (RH) connector.
•  Inspect the connector engagement and connection condition and inspect the terminals for damage, deformation, corrosion, or disconnection.
•  Is the connector normal?
Yes
Go to the next step.
No
Repair or replace the connector, then go to Step 9.
6
INSPECT RUNNING LIGHT CONTROL CIRCUIT FOR SHORT TO GROUND
•  Verify that the front combination light (LH)/(RH) and electrical supply unit (ESU) connectors are disconnected.
•  Inspect for continuity between electrical supply unit (ESU) terminal 4J (wiring harness-side) and body ground.
•  Is there continuity?
Yes
Refer to the wiring diagram and verify whether or not there is a common connector between the following terminals:
•  Electrical supply unit (ESU) terminal 4J—Front combination light (LH) terminal C
•  Electrical supply unit (ESU) terminal 4J—Front combination light (RH) terminal C
If there is a common connector:
•  Determine the malfunctioning part by inspecting the common connector and the terminal for corrosion, damage, or pin disconnection, and the common wiring harness for a short to ground.
•  Repair or replace the malfunctioning part.
If there is no common connector:
•  Repair or replace the wiring harness which has a short to ground.
Go to Step 9.
No
With front combination light (bulb type):
•  Go to Step 9.
With front combination light (LED type):
•  Go to the next step.
7
VERIFY IF MALFUNCTIONING LOCATION IS FRONT COMBINATION LIGHT (LH) DEPENDING ON REPEATABILITY
•  Always reconnect all disconnected connectors.
•  Connect the negative battery cable.
•  Clear the DTC for the electrical supply unit (ESU) using the M-MDS.
•  Retrieve the electrical supply unit (ESU) DTCs using the M-MDS.
•  Is the same DTC displayed?
Yes
Replace the front combination light (LH), then go to the next step.
No
Go to Step 10.
8
VERIFY IF MALFUNCTIONING LOCATION IS FRONT COMBINATION LIGHT (RH) DEPENDING ON REPEATABILITY
•  Clear the DTC for the electrical supply unit (ESU) using the M-MDS.
•  Retrieve the electrical supply unit (ESU) DTCs using the M-MDS.
•  Is the same DTC displayed?
Yes
Replace the front combination light (RH), then go to the next step.
No
Go to Step 10.
9
VERIFY THAT REPAIRS HAVE BEEN COMPLETED
•  Always reconnect all disconnected connectors.
•  Connect the negative battery cable.
•  Clear the DTC for the electrical supply unit (ESU) using the M-MDS.
•  Retrieve the electrical supply unit (ESU) DTCs using the M-MDS.
•  Is the same DTC displayed?
Yes
Repeat the inspection from Step 1.
•  If the malfunction recurs, replace the electrical supply unit (ESU).
Go to the next step.
No
Go to the next step.
10
VERIFY IF OTHER DTCs DISPLAYED
•  Are any other DTCs displayed?
Yes
Repair or replace the malfunctioning part according to the applicable DTC troubleshooting.
No
DTC troubleshooting completed.