FORWARD SENSING CAMERA (FSC) AIMING


id092200028800

Note
•  The forward sensing camera (FSC) aiming procedure stores the camera shot angle in the FSC by reading a target used for aiming into the FSC.
•  Perform the FSC aiming if any of the following procedure is performed.
―  FSC replacement
―  FSC clip replacement
―  Windshield replacement
•  If an obstruction on the windshield or camera lens is blocking the scene in front of the vehicle, the target used for aiming cannot be read-in and aiming will not be performed correctly. Perform the following procedure before performing the aiming.
―  Verify that there is no water, dirt or sticker adhesion on the windshield, and that there is nothing on the camera lens such as dust or soiling.

Aiming procedure

1.  Empty the vehicle by having all occupants leave the vehicle and remove all the cargo except for the spare tire, jack and tools.

2.  Adjust the air pressure of each tire to the specified value. (See WHEEL AND TIRE SPECIFICATION.)

3.  Move the vehicle to level ground.

Caution
•  If the setting surface height and angle between the vehicle and the target differs, correct FSC aiming cannot be done. Perform the FSC aiming with the vehicle and target setting surface on level ground.
am2zzw00011736

4.  Verify that there are no obstructions such as metal objects in the shaded areas shown in the figure.

Caution
•  If the FSC aiming is performed with obstructions such as white and black patterned objects or reflective metal in the shaded areas, the FSC will determine such obstructions as targets and the FSC aiming procedure will not be performed correctly. Move all obstructions away from the shaded areas, and when performing the aiming, do not have personnel standing in the shaded areas.
am2zzw00011737

5.  Perform the DTC inspection for the FSC using the M-MDS and verify that no DTCs other than B115E:54 are displayed. (See DTC INSPECTION [FORWARD SENSING CAMERA (FSC)].)

Note
•  Because DTC B115E:54 is output if aiming is not performed, continue to perform the FSC aiming if only DTC B115E:54 is output. (See DTC TABLE [FORWARD SENSING CAMERA (FSC)].)

6.  Adjust the SST (plum-bob) so that it is aligned with the center of the brand emblem, determine the center position at the front of the vehicle, and mark the center position (point A) on the floor surface.

am2zzw00009932

Note
•  The center of the brand emblem indicates the center position of the vehicle.

7.  Adjust the SST (plum-bob) so that it is aligned with the center of the brand emblem, determine the center position at the rear of the vehicle, and mark the center position (point B) on the floor surface.

am2zzw00012451

Note
•  The center of the brand emblem indicates the center position of the vehicle.

8.  Secure the end of the leveling line over point B.

Note
•  Use a commercially-available leveling line.
am2zzw00011738

9.  Pull the unsecured end of the leveling line over the vehicle and to the front and adjust it so that it passes over point A.

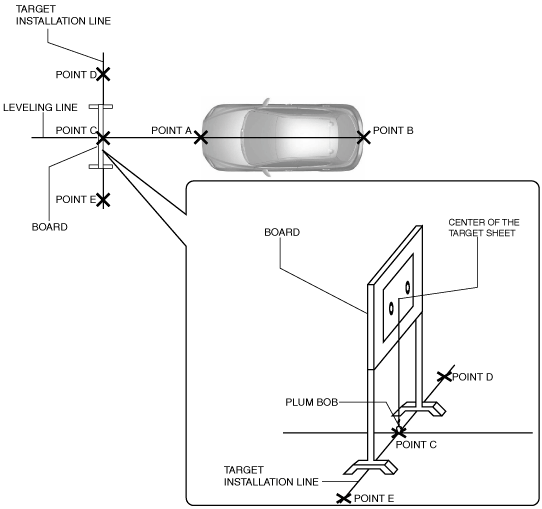
10.  Mark the line (position C) at the point 50 cm {20 in} from point A and in the direction forward of the vehicle.

am2zzw00011739

11.  Mark the points (points D and E) 35 cm {14 in} from point C on the line which runs perpendicular to the vehicle center line.

am2zzw00011740

12.  Pull the connected points D, C and E lines (target setting line).

13.  Print out 2 sheets of the following target paper without using scaling.

Note
•  If the target sheets cannot be printed, follow the dimensions shown in Step 15 to make target sheets.
ac5wzw00003142

14.  Cut the printed target sheets along the dotted line and line up the two sheets at their respective center marks as shown in the figure, and then affix cellophane tape to the back of the target.

Caution
•  When taping the two target sheets together, if cellophane tape is affixed to the front of the target sheets it could reflect light and adversely affect the aiming accuracy. When taping the two target sheets together, affix the cellophane tape to the back of the target pattern.
ac5jjw00000715

15.  Verify that the taped-together target is of the dimensions shown in the figure.

ac5wzw00003264

16.  Affix double-sided adhesive tape to the back of the target.

Caution
•  When affixing the target, if tape is affixed to the front of the target it could reflect light and adversely affect the aiming accuracy. When affixing the target, affix the double-sided adhesive tape to the back of the target, and then affix it to the board.

17.  Align the target to the height shown in the figure, and affix it to a board.

Note
•  Use a wooden board which does not reflect light to affix the target.
am2zzw00012293

18.  Align the center of the target with point C using the SST (plum bob).

am2zzw00011741

19.  Align so that the board and the target setting line are level with the center of point C.

20.  Connect the M-MDS (IDS) to the DLC-2.

21.  After vehicle identification, the following can be selected from the M-MDS initialization screen.

1.  "Electrical"
2.  "FSC Aiming"

22.  Input the following values according to the instructions on the M-MDS screen.

Item

Value

mm

in

Input height from the ground to the wheel house.
Front Left
675
Front Right
675
Rear Left
669
Rear Right
669
Input the distance from the target to the front wheel center.
-1311
Input the distance from the lens center to the vehicle center.
L.H.D.
7
R.H.D.
37
Input the distance from the ground to the target center.
1270
50

23.  Perform the FSC aiming procedure according to the directions on the M-MDS.

24.  Verify the M-MDS display.

•  If "Procedure successful" is displayed
―  FSC aiming completed
•  If "Procedure unsuccessful" is displayed
―  Perform an inspection according to the following table for the error code procedure.
―  If an error code other than the error codes in the following table is displayed, verify the following and re-perform the FSC aiming if there is no malfunction, as there could be a communication error between the FSC and the diagnostic tester.
1.  Is the battery positive voltage for the vehicle 8 V or more?
2.  Is the ignition switched ON (engine off or on)?

Error code

Detection condition

01
Target set position or input value is incorrect
02
Visibility where aiming is performed is bright or dark, target soiled
03
Target is not detected
04
Target moves during aiming
05
Input vehicle value exceeds specification
06
Aiming result is required during aiming
08
Aiming result is required for FSC with aiming not completed
22
Aiming implementation conditions are not in place
31
The inputted value is NOT correct
FF
Aiming cannot be performed due to communication error

Error code 01/05/31

Step

Inspection

Action

1
VERIFY VEHICLE HEIGHT INPUT VALUE
•  Verify the vehicle height indicated in Step 22 for aiming with the input value.
•  Is the value input correctly?
Yes
Go to the next step.
No
Input the vehicle height indicated in Step 22 for aiming, then go to the next step.
2
VERIFY TARGET POSITION
•  Verify the following:
―  Are the vehicle and target set on level ground?
―  Is the target set to the position indicated in the procedure?
―  Are the board and the target set line parallel and is the height at the center of the target correct?
―  Is the target produced as indicated in the procedure?
―  Is there any dirt, cracks, damage, or wrinkling on the target and board?
•  Is there any malfunction?
Yes
Repair the target for malfunction and go to the next step.
No
Go to the next step.
3
PERFORM FSC AIMING
•  Perform the FSC aiming.
•  Is the FSC aiming completed normally?
Yes
FSC aiming is completed.
No
Error code 01 or 05 is displayed
•  Go to the next step.
Code other than error cord 01 or 05 is displayed
•  Go to the procedure for the displayed error code.
4
PERFORM FSC AIMING AT ACTUAL MEASURED VALUE OF VEHICLE HEIGHT
•  Measure the vehicle height according to the actual measurement procedure for the wheel house height.
•  Input the actual measured value and perform the FSC aiming.
•  Is the FSC aiming completed normally?
Yes
The FSC aiming is completed.
No
Go to the next step.
5
VERIFY DTC
•  Perform the DTC inspection for the FSC.
•  Is the DTC displayed?
Yes
•  Go to the applicable DTC inspection.
•  After the diagnostic procedure is completed, perform the FSC aiming.
No
Re-perform the FSC aiming, and replace the FSC if the FSC aiming is not completed normally.

Error code 02/03/04

Step

Inspection

Action

1
VERIFY TARGET AND TARGET SETTING ENVIRONMENT
•  Verify the following:
―  Is there any dirt or damage on the windshield, FSC lens, and FSC cover?
―  Does direct sunlight penetrate the camera or target surroundings?
―  Is the camera or target surroundings shadowed?
―  Is there any dirt, cracks, damage, or wrinkling on the target and board?
―  Is the target produced in white and black?
―  Is there any obstruction or moving object within the shaded area indicated in Step 4 for aiming?
―  Is the target produced as indicated in the procedure?
―  Does the target move during aiming?
•  Is there any malfunction?
Yes
Repair the malfunctioning part and go to the next step.
No
Go to the next step.
2
PERFORM FSC AIMING
•  Perform the FSC aiming.
•  Is the FSC aiming completed normally?
Yes
The FSC aiming is completed.
No
Error code 02 or 03 or 04 is displayed
•  Go to the next step.
Code other than error code 02 or 03 or 04 is displayed
•  Go to the procedure for the displayed error code.
3
PERFORM FSC AIMING WITH ACTUAL MEASURED VALUE OF VEHICLE HEIGHT
•  Measure the vehicle height according to the actual measurement procedure for the wheel house height.
•  Input the actually measured value and perform the FSC aiming.
•  Is the FSC aiming completed normally?
Yes
The FSC aiming is completed.
No
Go to the next step.
4
VERIFY DTC
•  Perform the DTC inspection for the FSC.
•  Is the DTC displayed?
Yes
•  Go to the applicable DTC inspection.
•  After the diagnostic procedure is completed, perform the FSC aiming.
No
Re-perform the FSC aiming, and replace the FSC if the FSC aiming is not completed normally.

Error code 06/08

Step

Inspection

Action

1
PERFORM FSC AIMING
•  Re-perform the FSC aiming.
•  Is the FSC aiming completed normally?
Yes
The FSC aiming is completed.
No
Error code 06 or 08 is displayed
•  Go to the next step.
Code other than error code 06 or 08 is displayed
•  Go to the procedure for the displayed error code.
2
VERIFY DTC
•  Perform the DTC inspection for the FSC.
•  Is the DTC displayed?
Yes
•  Go to the applicable DTC inspection.
•  After the diagnostic procedure is completed, perform the FSC aiming.
No
Re-perform the FSC aiming, and replace the FSC if the FSC aiming is not completed normally.

Error code 22
•  Verify the aiming procedure and re-perform the aiming.

Error code FF

Step

Inspection

Action

1
VERIFY DTC
•  Perform the DTC inspection for the FSC.
•  Is the DTC displayed?
Yes
•  Go to the applicable DTC inspection.
•  After the diagnostic procedure is completed, perform the FSC aiming.
No
Re-perform the FSC aiming, and replace the FSC if the FSC aiming is not completed normally.


Wheel house height measurement procedure

1.  Adjust the SST (plum bob) so that it crosses the center of the wheel and identify the center position of the wheel house.

am2zzw00011747

2.  Measure the height from the uppermost part of the wheel house to the floor.