DTC B108E:1C [CONNECTIVITY MASTER UNIT]


id0902n7103400

Description

Low power supply voltage input to center display

Detection condition
•  The connectivity master unit (CMU) detected any of the following conditions for 5 s or more with the ignition switched ON (engine off or on).
―  TFT LCD driver voltage 3.8 V or less
―  LED drive voltage 14.0 V or less
―  Touch panel IC voltage 3.9 V or less
Fail-safe
•  Stops operation of the center display.
Possible cause
•  DTCs are stored in the PCM.
•  DTCs are stored in the DC-DC converter (i-ELOOP).
―  DC-DC converter (i-ELOOP) connector or terminal malfunction
―  DC-DC converter (i-ELOOP) malfunction
•  Battery malfunction
•  Generator malfunction
•  Center display connector or terminal malfunction
•  Center display B+ power supply circuit malfunction
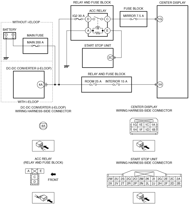
―  Without i-ELOOP:
•  Short to ground in wiring harness between MAIN 200 A fuse and center display terminal 1H
•  INTERIOR 15 A fuse malfunction
•  ROOM 25 A fuse malfunction
•  MAIN 200 A fuse malfunction
•  Open circuit in wiring harness between battery positive terminal and center display terminal 1H
―  With i-ELOOP:
•  Short to ground in wiring harness between ROOM 25 A fuse and center display terminal 1H
•  INTERIOR 15 A fuse malfunction
•  ROOM 25 A fuse malfunction
•  Open circuit in wiring harness between DC-DC converter (i-ELOOP) terminal 4A and center display terminal 1H
•  Center display ACC power supply circuit malfunction
―  Short to ground in wiring harness between MIRROR 7.5 A fuse and center display terminal 1G
―  MIRROR 7.5 A fuse malfunction
―  Open circuit in wiring harness between ACC relay terminal C and center display terminal 1G
•  Center display malfunction
•  Connectivity master unit (CMU) malfunction

Diagnostic Procedure

Step

Inspection

Action

1
VERIFY PCM DTCs
•  Are any DTCs displayed?
Yes
Repair or replace the malfunctioning part according to the applicable DTC troubleshooting.
No
Without i-ELOOP:
•  Go to Step 3.
With i-ELOOP:
•  Go to the next step.
2
VERIFY DC-DC CONVERTER (i-ELOOP) DTCs
•  Retrieve the DC-DC converter (i-ELOOP) DTCs using the M-MDS.
•  Are any DTCs displayed?
Yes
Repair or replace the malfunctioning part according to the applicable DTC troubleshooting.
No
Go to the next step.
3
INSPECT BATTERY
•  Inspect the battery.
•  Is the battery normal?
Yes
Go to the next step.
No
Recharge or replace the battery, then go to Step 10.
4
INSPECT GENERATOR
•  Is the generator normal?
Yes
Go to the next step.
No
Replace the generator, then go to Step 10.
5
INSPECT CENTER DISPLAY CONNECTOR CONDITION
•  Switch the ignition off.
•  Disconnect the negative battery cable.
•  Disconnect the center display connector.
•  Inspect the connector engagement and connection condition and inspect the terminals for damage, deformation, corrosion, or disconnection.
•  Is the connector normal?
Yes
Without i-ELOOP:
•  Go to the next step.
With i-ELOOP:
•  Go to Step 7.
No
Repair or replace the connector, then go to Step 10.
6
VERIFY CENTER DISPLAY B+ POWER SUPPLY VOLTAGE
•  Connect the negative battery cable.
•  Measure the voltage at center display terminal 1H (wiring harness-side).
•  Is the voltage B+?
Yes
Go to the next step.
No
Inspect the INTERIOR 15 A fuse, ROOM 25 A fuse, and MAIN 200 A fuse.
•  If any fuse is blown:
―  Refer to the wiring diagram and verify if there is a common connector between MAIN 200 A fuse and center display terminal 1H.
If there is a common connector:
•  Inspect the common connector and terminals for corrosion, damage, or disconnection and the common wiring harnesses for short to ground to determine the malfunctioning location.
•  Repair or replace the malfunctioning location.
If there is no common connector:
•  Repair or replace the wiring harness which is shorted to ground.
•  Replace the fuse.
•  If any fuse is damaged:
―  Replace the fuse.
•  If the fuses are normal:
―  Refer to the wiring diagram and verify if there is a common connector between positive battery terminal and center display terminal 1H.
If there is a common connector:
•  Inspect the common connector and terminals for corrosion, damage, or disconnection and the common wiring harnesses for an open circuit to determine the malfunctioning location.
•  Repair or replace the malfunctioning location.
If there is no common connector:
•  Repair or replace the wiring harness which has an open circuit.
Go to Step 10.
7
VERIFY CENTER DISPLAY B+ POWER SUPPLY VOLTAGE
•  Connect the negative battery cable.
•  Measure the voltage at center display terminal 1H (wiring harness-side).
•  Is the voltage B+?
Yes
Go to the next step.
No
Disconnect the service plug.
Inspect the INTERIOR 15 A fuse and ROOM 25 A fuse.
•  If any fuse is blown:
―  Refer to the wiring diagram and verify if there is a common connector between ROOM 25 A fuse and center display terminal 1H.
If there is a common connector:
•  Determine the malfunctioning location by inspecting the common connector and terminals for corrosion, damage, or disconnection and by inspecting the DC-DC converter (i-ELOOP) terminal 4A-related wiring harness for a short to ground.
•  Repair or replace the malfunctioning location.
If there is no common connector:
•  Repair or replace the wiring harness which is shorted to ground, or the DC-DC converter (i-ELOOP) terminal 4A-related wiring harness.
•  Replace the fuse.
•  If any fuse is damaged:
―  Replace the fuse.
•  If the fuses are normal:
―  Refer to the wiring diagram and verify if there is a common connector between DC-DC converter (i-ELOOP) terminal 4A and center display terminal 1H.
If there is a common connector:
•  Inspect the common connector and terminals for corrosion, damage, or disconnection and the common wiring harnesses for an open circuit to determine the malfunctioning location.
•  Repair or replace the malfunctioning location.
If there is no common connector:
•  Repair or replace the wiring harness which has an open circuit.
Connect the service plug, then go to Step 10.
8
VERIFY CENTER DISPLAY ACC POWER SUPPLY VOLTAGE
•  Switch the ignition to ACC.
•  Measure the voltage at center display terminal 1G (wiring harness-side).
•  Is the voltage B+?
Yes
Go to the next step.
No
Inspect the MIRROR 7.5 A fuse.
•  If the fuse is blown:
―  Refer to the wiring diagram and verify if there is a common connector between MIRROR 7.5 A fuse and center display terminal 1G.
If there is a common connector:
•  Inspect the common connector and terminals for corrosion, damage, or disconnection and the common wiring harnesses for short to ground to determine the malfunctioning location.
•  Repair or replace the malfunctioning location.
If there is no common connector:
•  Repair or replace the wiring harness which is shorted to ground.
•  Replace the fuse.
•  If the fuse is damaged:
―  Replace the fuse.
•  If the fuse is normal:
―  Refer to the wiring diagram and verify if there is a common connector between ACC relay terminal C and center display terminal 1G.
If there is a common connector:
•  Inspect the common connector and terminals for corrosion, damage, or disconnection and the common wiring harnesses for an open circuit to determine the malfunctioning location.
•  Repair or replace the malfunctioning location.
If there is no common connector:
•  Repair or replace the wiring harness which has an open circuit.
Go to Step 10.
9
VERIFY IF MALFUNCTIONING LOCATION IS CENTER DISPLAY DEPENDING ON REPEATABILITY
•  Clear the DTC for the connectivity master unit (CMU) using the M-MDS.
•  Switch the ignition ON (engine off or on) and wait for 12 s or more.
•  Retrieve the connectivity master unit (CMU) DTCs using the M-MDS.
•  Is the same DTC displayed?
Yes
Replace the center display, then go to the next step.
No
Go to Step 11.
10
VERIFY THAT REPAIRS HAVE BEEN COMPLETED
•  Always reconnect all disconnected connectors.
•  Connect the negative battery cable.
•  Clear the DTC for the connectivity master unit (CMU) using the M-MDS.
•  Switch the ignition ON (engine off or on) and wait for 12 s or more.
•  Retrieve the connectivity master unit (CMU) DTCs using the M-MDS.
•  Is the same DTC displayed?
Yes
Repeat the inspection from Step 1.
•  If the malfunction recurs, replace the connectivity master unit (CMU).
Go to the next step.
No
Go to the next step.
11
VERIFY IF OTHER DTCs DISPLAYED
•  Are any other DTCs displayed?
Yes
Repair or replace the malfunctioning part according to the applicable DTC troubleshooting.
No
DTC troubleshooting completed.